Jump to content

Recommended Posts

Hi all... I have owned my S3 for nearly 13 years so far and she has been through a few transformations modding wise... started with the usual, mapping and suspension etc... moved on to a relatively basic GT3071 install (still on the original engine but with rods etc) and then built a full on 2ltr stroker with tubular manifold and GT3582r which ended up with 620hp, 440ftlbs..

20160821-20160821_161955.thumb.jpg.6fec4d961a8f8d074d57ab42e8380ff0.jpg

 

Sadly a failed H beam rod ended my 20v's reign of terror...

20190302-96dpi-IMG_20190302_115756.thumb.jpg.6413c113ec0f96c2290f876dea765cb8.jpg

..and rather than go to another expensive rebuild of what will still be a highly strung engine at the levels of power it was at I decided to live the dream and swapped out the 20v for a VR6... a 3.2 24v BHE motor from a Mk1 TT to be precise...

 

received_1123942584457214.thumb.jpg.1977f7c6b7e3240993fbab1b2c8f8efa.jpg

 

Ordered up a few parts... a rather cheap but pretty substantial looking turbo manifold...

20190511-96dpi-IMG_20190511_094017.thumb.jpg.3b860d821783da9ff6088975faffa900.jpg

 

Chain kit (obvs)

20190511-96dpi-IMG_20190511_094414.thumb.jpg.7603a3efa58c4c4208dbb8661da9c019.jpg

 

Short runner HPA looky likey inlet manifold...

20190511-96dpi-IMG_20190511_102052.thumb.jpg.ab3fbc355ad29ce72fc6e8b0709c3b5c.jpg

 

Head spacer gasket (8.9:1 from memory)

20190525-96dpi-IMG_20190525_085651.thumb.jpg.8e2464cafae1cbc3b246530e4ce5793d.jpg

 

All the parts from TPS!!...

20190622-96dpi-IMG_20190622_100231.thumb.jpg.b72bf28c44e4e262933592d3648d25b8.jpg

 

Supertech inconel exhaust valves...

20190622-96dpi-IMG_20190622_100442.thumb.jpg.f8e0d67d6c6abb0a775051d236c1e687.jpg

 

and ARP rod bolts, ACL big end bearings and the oil drain fitting

IMG_20200824_161436.thumb.jpg.5dc3af0d26b2d679a717076f53b244d8.jpg

 

I'll end this initial post here but will post up some more pics of the build with the aim to bring this thread up to the current state of play :)

 

<tuffty/>

 

Link to post
Share on other sites
  • Replies 109
  • Created
  • Last Reply

Top Posters In This Topic

Top Posters In This Topic

Popular Posts

top job

So by now the head has returned back... the guides were perfect by all accounts which was a nice surprise as every 20v head over 50k seems to need at least exhaust guides (turbo + heat etc) and only n

Awesome work!

Posted Images

The BHE engine came with a transfer box and DQ250 DSG box but the mechatronic unit had been removed so it was pretty much useless to me... I got the engine onto a stand... I am aware that there is a bracket available to fit the engine sideways on but the stand in use is a bit of a monster and only complained a little bit under the weight :)

20190526-96dpi-IMG_20190526_123938.thumb.jpg.2f70530d55f3410af98235ce70e0bc43.jpg

 

The inside of the engine looked fairly typical for what was no doubt the longlife service schedule in play here...

20190519-96dpi-IMG_20190519_153140.thumb.jpg.a4d1efe6a6ad0b27c0a05d45ebfe2daf.jpg

 

Not a big worry tbh as I was stripping and cleaning it all anyway... first up was the cam cover..

20190519-96dpi-IMG_20190519_153213.thumb.jpg.876cde53021eb85f14836476e7aee82a.jpg

 

A hot wash and aqua blast later...

20190519-96dpi-IMG_20190519_164052.thumb.jpg.507732efe5e9b03e37c22bf155a7226e.jpg

 

Removed the sump and rear covers....

20190529-96dpi-IMG_20190529_155931.thumb.jpg.edf1077459b0894c040fbb2e9894883d.jpg

 

20190529-96dpi-IMG_20190529_142131.thumb.jpg.e96108ac9673dfc9a8adf33aab498bd6.jpg

 

 

All looking a bit on the sad side here...

20190529-96dpi-IMG_20190529_142120.thumb.jpg.46e77d74d4726ecbf318ac3069dd1f0b.jpg

 

20190529-96dpi-IMG_20190529_164844.thumb.jpg.c83ba88aa5cd3157373eb831dc164f6f.jpg

 

Removed the oil pump too so I could check it over... then treated the rest of the covers to a hot wash and aqua blast..

20190529-96dpi-IMG_20190529_174950.thumb.jpg.8859adb470eff1c12d1b28fd867ea556.jpg

 

Next up was to remove the head...

20190530-96dpi-IMG_20190530_114214.thumb.jpg.ae05c0cbd1deefbe89c5214ffb757925.jpg

 

The head will be stripped and cleaned then sent to get the face lightly resurfaced and the guides checked and replaced as required...

 

The bottom end looked good for a 100k miles engine... bores looked free of wear and any score marks and did a quick ovality check (without removing the pistons as I didn't want to disturb anything unless I had too) and tbh this engine was spot on... I have built a fair few 20v's and they almost always have a fair amount of bore wear...

20190530-96dpi-IMG_20190530_114221.thumb.jpg.bf04c8d73c5a1ee49d05e9bbd7c57336.jpg

 

Gave the head a thorough cleaning using a combo of hot wash and kerosene tank cleaner...

20190530-96dpi-IMG_20190530_130633.thumb.jpg.bd3fe7b47aa75f6afc4e035a81e1481f.jpg

 

Scrubbed up quite well :) 

 

Next job was to strip the head so it could go off to be resurfaced and checked over... a little more awkward to work on than the 20v heads I am used to but was relaxing non the less..

20190530-96dpi-IMG_20190530_152122.thumb.jpg.da9e8725a0ecb098dd0112ccaa3b7c3f.jpg

 

Everything was then cleaned off and treated to corrosion inhibitor while I waited for the head to get back

20190530-96dpi-IMG_20190530_182200.thumb.jpg.30ede0f1078c2043f5355026aa8ebf85.jpg

 

<tuffty/>

 

 

Link to post
Share on other sites

So while waiting for the head to come back I turned my attention so some other jobs.... the inlet manifold I bought was not the best casting in the world and on inspection I noticed it was in fact full of casting sand!!!... not the best really... I did try the usual hot wash/aqua blast process to see if it would shift it but tbh I could not risk there being any chance of sand getting into the engine sooooo...

 

...I cut it in half :)

20190519-96dpi-IMG_20190519_103849.thumb.jpg.898a734fb8de44fa0af0114c8382d169.jpg

 

The casting sand is pretty obvious... :(

20190519-96dpi-IMG_20190519_103858.thumb.jpg.aff95a1a028a5c272a130d559828700b.jpg

 

So this time at least I could get into all the nooks and crannies with the aqua blaster and thoroughly cleaned it out...

20190519-96dpi-IMG_20190519_133134.thumb.jpg.4248f5b31afa8d78d9c5aef839bc9edd.jpg

 

While I was messing with the inlet I drilled and tapped the mount for the MAP sensor....

20190519-96dpi-IMG_20190519_110338.thumb.jpg.e3cdd3c3ea8418ff4ab9b9791ce3d854.jpg

 

This is a 3 bar sensor with an integrated IAT sensor so saves me having to weld on another boss for that job...

20190529-96dpi-IMG_20190529_114314.thumb.jpg.28b3b0e6720d80ae56d3eb49fcf0a8f0.jpg

 

Then sorted out the vacuum outlets...

20190529-96dpi-IMG_20190529_120554.thumb.jpg.340862f15add12c4de4598ad9bd3d262.jpg

 

Servo, dump valve and FPR will run off these...

 

Having already established the R32 throttle body was going to give me space issues I opted to use the same 70mm TB I had on the 20v... 

20190519-96dpi-IMG_20190519_133430.thumb.jpg.025f07da8430b970ccdd04943ec769b0.jpg

 

Physically this will make better use of the limited space I will have up front (more on that later)... it did mean I needed to redrill and tap the inlet to take the smaller TB though

20190601-96dpi-IMG_20190601_093045.thumb.jpg.0b7bc020708c55e18ad849a0a7419669.jpg

 

I used sealant and grub screws to block off the outside holes.... then the two halves got welded back together (once I had chamfered the edges to be welded to aid penetration... fnarr)

20190529-96dpi-IMG_20190529_143004.thumb.jpg.b1dfdc09ad603c6995d92f30574c1054.jpg

 

Sorted... while the welder was hot there was another thing that needed to be modded... the SAI/water outlet from the back of the head...

20190529-96dpi-IMG_20190529_134401.thumb.jpg.07bdd546a84ae5ae6343115571d9f1a6.jpg

 

Cut off the SAI flange...

20190529-96dpi-IMG_20190529_162826_BURST001_COVER.thumb.jpg.1bbc73b8aab554a5452bd91363fe832e.jpg

 

...welded it up and then painted it...

20190601-96dpi-IMG_20190601_110524.thumb.jpg.420a250807111739ee2b179dc87105b3.jpg

 

 

And on the subject of painting... I had cleaned up the block and ancillaries and painted parts as required...

20190601-96dpi-IMG_20190601_153511.thumb.jpg.732f2a510909d398b6ce8edacd006afa.jpg

 

Coming together :)

 

<tuffty/>

 

Edited by tuffty
spelling corrections
Link to post
Share on other sites

So by now the head has returned back... the guides were perfect by all accounts which was a nice surprise as every 20v head over 50k seems to need at least exhaust guides (turbo + heat etc) and only needed the meerest kiss to resurface...

20190608-96dpi-IMG_20190608_094527.thumb.jpg.f7770bc42dab7faa1a3ef1b2b1ce40d5.jpg

 

First off... lapping the inlet valves...

20190608-96dpi-IMG_20190608_105341.thumb.jpg.00c07f07f9e6a3e1479df5c177556d73.jpg

 

20190608-96dpi-IMG_20190608_122450.thumb.jpg.4a8d91b79ad469b5b9771a48ca929db2.jpg

 

Then the Supertech exhaust valves... these are single groove collets which are generally better for high revving and cammed setups but tbh its all Supertech do for the VR6 it seems which is fine as the 20v had a full supertech valvetrain including springs and titanium retainers...

20190622-96dpi-IMG_20190622_102321.thumb.jpg.6f34177bdee7c2c21cd03a09de7e9e76.jpg

 

I don't plan to rev the VR anywhere near as high as the 20v did so happy enough that it will hold together fine with the extra safety margin afforded by using inconel exhausts..

 

Next up was to put the head back together.... strangely satisfying building heads :)

20190622-96dpi-IMG_20190622_142553.thumb.jpg.3ed863c81f3cd66a7bed4cbfc086f881.jpg

 

I cleaned up all the VVT gear and fitted new seal rings to the cams...

20190622-96dpi-IMG_20190622_151049.thumb.jpg.02f11529a95f8970cd467ac710187774.jpg

 

Plopped the headgasket onto the block and sat the head on... I was going to stretch to ARP head studs but tbh they were bonkers money and for the level of tune I am aiming for not really needed...

20190622-96dpi-IMG_20190622_152247.thumb.jpg.89a56c178076e50869741b263ef07bef.jpg

 

New chains and tensioners fitted...

20190629-96dpi-IMG_20190629_142104.thumb.jpg.7c295886ea74fd437e26e8e0fe8906ab.jpg

 

and this is where I hit my first real issue... obviously with the spacer head gasket it has moved things specifically with the top chain and its relationship between the the block and the head... now I did struggle to find out the definitive way to do this with answers varying from adding another link into the chain (which didn't sit too well with me) to shaving a load of material off the guide.... this again seems a daft idea as the wear and you change them because of that... seemed wrong to accelerate the wear process so instead I slotted the mount holes which essentially does the same job but leaves the surface the chain runs on untouched...

20190630-96dpi-IMG_20190630_132416.thumb.jpg.1698eab5f53fc2b8dbcf870e03afc920.jpg

 

Now I confess to not knowing if this is the way its typically done but the info seems a little sparse so I went with the majority consensus on this one... I also had to mod the top cover to allow it to clear the tensioner and give it some room to move...

20190630-96dpi-IMG_20190630_112826.thumb.jpg.2b073845c840e121ec5811b199e6e6de.jpg

 

Again... not 100% happy about that so if anyone has info on what is deemed the "correct" way to do this I am all ears and happy to go back in and tweak the chain setup...

 

Anyhoo... with that now done I refitted the covers (with all new seals) and the sump...

20190629-96dpi-IMG_20190629_143145.thumb.jpg.b03660a736d5cf66a3fb0a903e61ed99.jpg

 

20190630-96dpi-IMG_20190630_150336.thumb.jpg.2500d67f56558b7cdc2bb47b72752b70.jpg

 

20190630-96dpi-IMG_20190630_141010.thumb.jpg.44d12bd17bdcd0a92783236dd19f5f82.jpg

 

The astute of you may have noticed that the sump does not have the oil drain fitting in and that is for a couple of reasons... 1) I want the engine in the car with all the drive shafts etc in so I can best work out where to put it for the best run, and 2) I had planned to run the engine NA for a while until I knew the conversion had worked properly... and had a bit more time to do the required fabrication work...

 

Finished off with fitting a few more ancillary parts (mostly new OE bits ) and also fitted the 630cc long nose Bosch injectors (PN 0280158123) I intended to use

20190630-96dpi-IMG_20190630_154509.thumb.jpg.5c8574631bf76f8bd0b591c204f9c142.jpg

 

To finish off the cam cover and inlet manifold had arrived back from the powder coaters :)

20190701-96dpi-IMG_20190701_161209.thumb.jpg.eb31da986b8bd2e187f2c3283fde54a6.jpg

 

Happy days...

 

<tuffty/>

Edited by tuffty
re-worded to make more sense :)
Link to post
Share on other sites
14 hours ago, Philly-R6 said:

Awesome work!

Thanks dude... appreciated.... :)

 

So now the the engine is coming back together there are a couple of other little jobs to do to get it all ready... I drilled and tapped the mount hole for the dipstick tube.. I knew that it wouldn't line up but there was only one place that made sense to drill it as anywhere else would have gone through to the plenum...

 

20190706-96dpi-IMG_20190706_115010.thumb.jpg.5f2900e93b4cfbaa18b2aafd49ce3fcc.jpg

 

So modded the mount tab to suit...

20190706-96dpi-IMG_20190706_122022.thumb.jpg.e14bee7555ed55e60832a2a26e1de893.jpg

 

Painted the tube (obvs) and pulled the top away from the plenum for a little extra clearance

20190706-96dpi-IMG_20190706_172859.thumb.jpg.2fb4d5defd9a0d53e841b15ae7e739f4.jpg

 

Nice... now for the throttle body... while the 70mm TB is a much nicer fit than the R32 75mm TB there are still issues...

20190706-96dpi-IMG_20190706_150915.thumb.jpg.0f1fffff5edce4c6317c972d2e198afc.jpg

 

Not happy that the hose is going to be rubbing there... so a cheeky little mod and...

20190707-96dpi-IMG_20190707_134656.thumb.jpg.1b87a9a8732af270bc2aa41acab047da.jpg

 

Done :)

20190707-96dpi-IMG_20190707_135052.thumb.jpg.02021e21e0587a9b14417f07da19fb44.jpg

 

The CTS is also very close but the wiring plug fits on with a bit of jiggling so happy days...

20190707-96dpi-IMG_20190707_135431.thumb.jpg.e519005255234b86ff1fa9186220deb9.jpg

 

With all the little jobs done it was time to get the engine ready to be fitted into the car... now there is quite a story behind this which I will go into detail about later but the TL:DR is that I bought an R32 02M manual box which ended up having far too much play in the input shaft and when I ordered the DMF and clutch it turns out that what turned up was a DMF for a 2.8 24v and a self adjusting clutch for a 3.2 24v... unbeknown to me at the time it was not going to work despite the parts fitting together and looking plausibly ok.. I will elaborate more in a future post as I took the box out at least three times to try and remedy the whole gearbox and clutch issues :(

 

Anyhoo... I fitted the DMF, clutch, gearbox and transfer box to the engine...

20190714-96dpi-IMG_20190714_114936.thumb.jpg.329c271eef53d52e25517a3faaacfb22.jpg

 

...and had to do a quick mod on the engine bay to allow the engine to fit... on the S3 there is an extra bracket that most Mk4 chassis cars don't have...

20190707-96dpi-IMG_20190707_142726.thumb.jpg.56f97eba1dc2434b7dd593df2ee9edcb.jpg

 

This needs a tactical lump removed to allow the aircon compressor to clear...

20190707-96dpi-IMG_20190707_152835.thumb.jpg.8e7699fc27a0302cc45c7f5ec5db04a8.jpg

 

With that little job done it was time!!!!!.....

20190714-96dpi-IMG_20190714_122449.thumb.jpg.0b98a4c85a8fc520a922a1e1dfe2eba7.jpg

 

....and booom!... in she went!...

20190714-96dpi-IMG_20190714_131844.thumb.jpg.3775d004b478a06526bfac4388172483.jpg

 

I am using Vibratecnic fast road mounts... the gear box one was the same as the 20v which I already had so juts had to get a specific engine side one for the VR

 

Next up.... wiring :D

20190707-96dpi-IMG_20190707_131126.thumb.jpg.462773326ded2a0896ee37d3e5755213.jpg

 

I am using the small ECU plug loom from the TT VR and the S3's large ECU plug loom.... there are a few things that need to be sorted but will go over that in the next post :)

 

<tuffty/>

Link to post
Share on other sites

The TT's loom wasn't going to be a straight swap as expected so after a bit of research and comparing pinouts between the S3 1.8t and the TT VR6 I arrived at this as a work in progress :)

20190720-96dpi-IMG_20190720_142719.thumb.jpg.bd8086cea38c2fbe8c8f5b08baafe7f0.jpg

 

I removed stuff I didn't need like SAI, inlet flap control and the PCV valve and added in the wires I needed for the N75 valve, MAP and IAT sensors... I also ran the wires for a second MAP sensor that will be used by the ColorMFA I have in my dash for boost along with the wires for the fuel and oil pressure sensors...

 

N75 shares 12v with the VVT on the S3 so tapped off that for the feed...

20190721-96dpi-IMG_20190721_123324.thumb.jpg.d9a52b6e8c9799ede86573d723663c04.jpg

 

All the relevant wires were then pinned to the ECU plug...

20190722-96dpi-IMG_20190722_102642.thumb.jpg.7da05cc314bfaf752aef18ec5db7baa6.jpg

 

As the loom came from a DSG model there is no speedo sensor in the box so I added the wires for that too...

20190721-96dpi-IMG_20190721_165713.thumb.jpg.faeb6a4ca60c9b2646209f4f3ccc05cb.jpg

 

The other subtle differences were in the 14pin plug that hides on the inner wing by the battery... this I rewired to take the speedo wiring and to move the after run pump and injector feed...

20190722-96dpi-IMG_20190722_175552.thumb.jpg.61d3a524b5e6bfec68dad5da5973c612.jpg

 

The after run pump now works off the same feed as the S3 one did from the fan control unit and when the turbo goes on I will look at adding the S3's after run pump back in to circulate coolant round the turbo... if I can't work out the cooling path for the existing one that is...

 

Sensor fitted for the fuel pressure...

20190720-96dpi-IMG_20190720_125123.thumb.jpg.1cc7c39086fa4969a99ae442fd361a20.jpg

 

...and the oil pressure...

20190725-96dpi-IMG_20190725_143703.thumb.jpg.a720d24cba5419b860c83f50d9663c43.jpg

 

Wiring is mostly done :)

20190721-96dpi-IMG_20190721_134456.thumb.jpg.2e90a4f6e6362839e3fee4cf6cdc61a6.jpg

 

20190725-96dpi-IMG_20190725_112254.thumb.jpg.dd81a5b42660d55e8925eff4350ca5ca.jpg

 

Next issue to deal with was the fan pack... the S3 has a different fan pack to the TT 3.2 due to the way it leans forward rather than the 1.8t' leaning back in the bay...

20190714-96dpi-IMG_20190714_134841.thumb.jpg.769f8dd5f987af8aea998c39641772f3.jpg

 

The fan mount hits just about everything so I sourced a fan pack from a 3.2 TT... which is the same as the Seat LCR too I believe (uses the same type of fans at least...)... both fans were DOA so after a refund the cowl only cost me a tenner and I bought new fans which is now bad thing

20190811-96dpi-IMG_20190811_120439.thumb.jpg.d037755dd3aac4803cbe91ee4528a499.jpg

 

This fits fine apart from one thing which I hadn't spotted at the time and it bit me later :( ... I hadn't noticed that the edge of the fan now contacted the upper aircon hose and it rubbed through stalling and melting the fan!... booo... I will go into a few more details on that and the fix in a later post..

 

I had the base map ready to go too...

r32basefile.thumb.png.e8217d41febdafd72e815b19eac80da1.png

 

So with all the electrics sorted it was time to do a quick test of the wiring and do a first start!! I buzzed the wires to be sure then flashed the map on... did output tests on the ECU... all looked good sooo

 

 

Happy days :D

 

Bare in mind the cooling system wasn't connected and the exhaust was down pipe only lol... was rather loud but very happy that it was all in the green...

 

<tuffty/>

 

 

Edited by tuffty
Link to post
Share on other sites

For reference this is what I threw together to make sense of what I needed to do to alter the TT loom to work... it wasn't loads to be honest as Ignitron is an ME7 plug and play solution and the TT 3.2 uses ME7 too as standard...

 

ECU TT 3.2 DSG  loom small plug mappings...

ECU_Pinout.thumb.jpg.cdca62d03493c493df9af2f3898132bc.jpg

 

14 pin plug mappings...

14pinplug.jpg.b96ae22591b955c6d63eba749e5db1d5.jpg

 

IECU input mappings...

IECU_v19_input.jpg.26d7b553d8346a09652234c5d97f8054.jpg

 

IECU output mappings...

IECU_v19_output.jpg.1c049c2a89f9ba654a4c7c5a877fa039.jpg

 

Obviously don't take this as gospal as there are subtle differences across the VAG range and across years on the same vehicles :(

 

This is the result of me buzzing out the wiring loom I had to determine how to get it to work for me... I would suggest you then treat this more as a starter for ten... you may find that some of the wires in a loom you are using are different...

 

You may also notice that I don't have the EGT or N75 mapped into the ECU I/O as they are currently not connected... that will come when the turbo gets fitted :)

 

<tuffty/>

Link to post
Share on other sites

Now that the engine had run I started to put the rest of the car back together... 

 

Due to the VR engine leaning forward rather than back like the 20v I had to extend and faff with the power steering hoses a bit...

20190724-96dpi-IMG_20190724_155937.thumb.jpg.110b26f28603b692f06a897b98581fc5.jpg

 

This did not do everything I needed clearance wise but was good enough to allow me to cable tie the hose out of the way of the alternator pulley... I actually have 4-motion PS hoses to fit soon so hopefully that will sort it properly

 

I finished off the coolant hoses too... had to order a few that I was missing from TPS but I simplified the hose layout a bit especially as I didn't have DSG...

20190714-96dpi-IMG_20190714_155436.thumb.jpg.3f0e89627146508c0589b9984a672f38.jpg

 

20190714-96dpi-IMG_20190714_155446.thumb.jpg.3e7cf0358f4a3741900c2a4bf619ab8a.jpg

 

Had to mod the metal pipe for the reservoir...

20190714-96dpi-IMG_20190714_155456.thumb.jpg.980ecf69fbf025e814659d769e6b0908.jpg

 

20190714-96dpi-IMG_20190714_162258.thumb.jpg.df5fcfdd3e6f90fdd4b2b12cb796f421.jpg

 

That will need further work when the turbo gets fitted of course as its essentially in the way....

 

Seeing as the engine is ready for turbo charging I decided to sort the charge pipe out and do all the work needed for the FMIC etc (seeing as it was still fitted from when it had a 20v in)... first job was to mock up the pipe to the throttle... decided that this route was the least hassle for fit and tightness... plus I was going to run the top charge pipe down the gearbox side of the engine, not the 'cam belt' side like the 20v...

20190725-96dpi-IMG_20190725_161241.thumb.jpg.ee4bd51361448773f967300605615c04.jpg

 

Happy with that I made a bracket to help support it...

20190803-96dpi-IMG_20190803_160502.thumb.jpg.689ddb62d09a3c54a014a557a972115e.jpg

 

And painted it a nice stealthy black :)

20190804-96dpi-IMG_20190804_130611.thumb.jpg.235ebdcda7766672963c279d69f53ce2.jpg

 

This then connects to the FMIC here...

20190803-96dpi-IMG_20190803_141140.thumb.jpg.4388c503e8862e645871d9afae2d5233.jpg

 

Which then exits back into the engine bay here....

20190804-96dpi-IMG_20190804_135400.thumb.jpg.e50a8c54ddb932e1ead68003ee322354.jpg

 

...and finally to a temporary air filter (just while she is still NA)

20190804-96dpi-IMG_20190804_135410.thumb.jpg.765ff54b97439103f35ecfadadc58703.jpg

 

And for that OEM++ look....

20190804-96dpi-IMG_20190804_135841.thumb.jpg.d5540d38f60602eaf94feb7dbdde2e9a.jpg

 

With everything fitted and full of fluids it was time to get the car onto a ramp to sort the exhaust out... I already had a 3" system that I had built while the 20v was in so all I needed to do for now was join the OE down pipe to the rest of the system...

20190817-96dpi-IMG_20190817_104031.thumb.jpg.5d0f3aeabfaab34f184cfbe71f77d891.jpg

 

I had some flanges laser cut as it was easier and cheaper than trying to find another decent OE DP or CAT setup to cut the flanges from... so I made up a 'Y' piece to join the exhaust together

20190817-96dpi-IMG_20190817_122421.thumb.jpg.35d685ee7c239471288af012870315bd.jpg

 

20190817-96dpi-IMG_20190817_160627.thumb.jpg.760b49ac075470efaa6ec91465b0d991.jpg

 

Will do the job until I sort the turbo and downpipe out...

20190817-96dpi-IMG_20190817_165655.thumb.jpg.902640585b5fa4941adb7766e38740fd.jpg

 

Obviously would be rude not to video it :D

 

 

Brought a mahossive smile to my face I can tell you!!!... also while she was up in the air I bled the clutch... done more of these than I can remember so no drama... however... when I tried to reverse the car off the ramp (she was pushed on due to the noise with no exhaust) it all started to go rather wrong....

 

And thats a story for the next post!!!

 

<tuffty/>

Edited by tuffty
Link to post
Share on other sites

And so begins the first real pain felt during this conversion... The clutch pedal itself bled up fine, but when depressing the pedal there was no feel at all and it just felt like the clutch was simply not disengaging and to top it all the pedal would randomly stick down... it was as this point that I went and double checked the LuK part numbers only to find that while I had an R32 self adjusting clutch I had a 4-motion DMF designed for a non self adjusting clutch... in fact the same clutch as is fitted to the 1.8t's as it turns out!..

 

The offending items!!

20190713-96dpi-IMG_20190713_134506.thumb.jpg.11da9928becd42cd9fefa24c10b049a5.jpg

 

Sooooo.... off with the gearbox :(

20190824-96dpi-IMG_20190824_171758.thumb.jpg.ee33a8bc8171425869bf0d6db3be4ec6.jpg

 

I was always going to fit an uprated clutch setup but wanted to wait until I had actually sorted the turbo swap before doing so as it seemed senseless adding wear to a more expensive clutch when there was no real power... but given the circumstances I decided that I would swap out to the planned setup seeing as it was all apart anyway...

 

The standard R32 plate on the left vs the 4 puck Sachs plate on the right...

20190824-96dpi-IMG_20190824_172223.thumb.jpg.b882157c3ed309283f12babe8accd819.jpg

 

This will be used with the DMF and a standard pressure plate.... again, R32 self adjusting pressure plate on the left, 1.8t standard pressure plate on the right...

20190824-96dpi-IMG_20190824_172256.thumb.jpg.c11ca4940e0c0d48292a3eec2f06b327.jpg

 

A standard DMF/pressure plate combined with the Sachs 4 puck is a shockingly good setup... I ran this for the entire time my 20v was running (620hp, 440ftlbs) and its OE light in traffic with a small judder on initial bite in first from a standstill then feels like OE for the rest of the time

 

So fitted all that in and refitted the box...

20190824-96dpi-IMG_20190824_181628.thumb.jpg.3b3aa0c67fa6403a2d224a3184bc23d3.jpg

 

A view I am going to see a lot of it seems 😕

 

This time the clutch worked absolutely fine... for about 5 minutes... then the pedal hit the deck... again!!!... so this time I changed out the master cylinder...

20190907-96dpi-IMG_20190907_094052.thumb.jpg.86d5ab4fcfaa1b932e1413e3d892508c.jpg

 

pretty easy job to be honest especially with a VR engine as you have all the room in the world to get to it :) the pedal assembly simply unbolts from the inside once you have removed the feed hose and pipe connection to the slave...

20190907-96dpi-IMG_20190907_112704.thumb.jpg.d05058ea329207e9b5c587233e0364f6.jpg

 

Bled the clutch yet again... pedal felt fine pulling away in first... went to grab second annnnnd!... you guessed it... pedal stayed down!! FFS!!

 

So out came the box... again...

20190921-96dpi-IMG_20190921_144334.thumb.jpg.59881cd39c1f71dc0281006989c04fff.jpg

 

And this time found that the concentric slave was not very happy.... this is what it should look like...

20190921-96dpi-IMG_20190921_145310.thumb.jpg.ac1975e737a6bf993b15e42e728f991b.jpg

 

This is what came out the box...

20190921-96dpi-IMG_20190921_145339.thumb.jpg.a7acfb8d9f8ecb856f28be667cb742b3.jpg

 

That would explain the issues I was having.. the slave was getting a beating by something so I spent some time measuring 02M 1.8t boxes vs my R32 one... DMF's, cover plates and friction plates... then spotted something on an old Sachs plate that was different to my nice new one...

 

I unfortunately don't have a pic of the new plate but....

20191102-96dpi-IMG_20191102_181338.thumb.jpg.a4805b33d784228d6b4b15be978816d9.jpg

 

This is the bit that face the gear box... it is a lot more proud of the pressure plate than a std friction plate but its never ever been an issue in any 20v that I have been involved in fitting one too (including my own)... the 'nose' on my plate was actually a larger O/D all the way to the end with this step in it and for whatever reason that was fouling the inside of the slave causing all the issues... so my mate stuck it on the lathe and turned the end down much like the one pictured above... fitted a new slave and banged it all back together!...

 

And that was that... the clutch now work flawlessly... I could actually give the old girl some beans up through the box and all was good in the world :D

 

Well.... mostly... the gearbox was in fact whiney as feck!... which given the play I found while it was off (the last time) is not surprising... I had clearly bought a lemon :(

 

 

 

Disappointing.... ah well... It at least meant I could actually drive the car about and get the VE table and fuelling dialled in on the map...

tuffty_R32_15_trims001.PNG.thumb.jpg.515232101788ce5429afadfee1aedc4f.jpg

 

And inbetween doing that... me and my trusty Audi A2 went for a little drive and grabbed this...

20190928-96dpi-IMG_20190928_155001.thumb.jpg.8998c80118059ad6bc57e83db195ca77.jpg

 

A DRP code gearbox from a 4-motion :) 

 

Yes... It does mean I am going to drop the box yet again but I will also be stripping the DRP first and cleaning it up

 

<tuffty/>

 

 

Link to post
Share on other sites

The DRP gear box is similar to the earlier 02M boxes and has a taper bearing to support the input shaft... these don't suffer the same issues the later 02M and 02Q boxes have with the input shaft bearing... 

 

The R32 02M is on the left here and the DRP on the right...

20191102-96dpi-IMG_20191102_142130.thumb.jpg.90687185565a00717dcdf03a8cc52df9.jpg

 

Before actually fitting the gear box I felt it was a good idea to just check it out for wear and any issues with the selector forks (an achilles heel of the 02M)... so I split the box...

20190929-96dpi-IMG_20190929_132545.thumb.jpg.73b481accc135f1ec8bfa76e34adcb9e.jpg

 

Looks fairly normal for an 02m box tbh... I pulled the internals out for a closer look and to clean them up... also cleaned up the casings

20190929-96dpi-IMG_20190929_132550.thumb.jpg.078c7aa2f6fb8b58749392c4bccf0e4e.jpg

 

The hot wash got it nice and clean....

20190929-96dpi-IMG_20190929_140239.thumb.jpg.8bdbe29c8c3b16e724fe6dd9f3ede73e.jpg

 

Internals hit the kerosene tank before a rinse off in the hot wash...

20190929-96dpi-IMG_20190929_143031.thumb.jpg.3f6d83470ec062892f5ad991ece3bcfd.jpg

 

Main failure point with the selector forks is the rivet holding the steel guides to the brass forks...

20190929-96dpi-IMG_20190929_151951.thumb.jpg.5649efaf617443fd04fe3c3603a8b205.jpg

 

The fix is to essentially drill out the rivet and tap for an M8 12.9 cap bolt... then weld the bolt in...

20190929-96dpi-IMG_20190929_155123.thumb.jpg.0390a11598730c480b764c667791adfc.jpg

 

The cap need grinding down a bit for clearance but its and improvement over the weaker rivet...

20190929-96dpi-IMG_20190929_162646.thumb.jpg.7872b341710ae5f95b4bc6a12adc5ce4.jpg

 

Assembled the box internals

20190929-96dpi-IMG_20190929_163517.thumb.jpg.6a375af6acc2ea4a092e301a2f0e225a.jpg

 

and its all back together

20190929-96dpi-IMG_20190929_183545.thumb.jpg.c2396c997346ee82e22c4cc2fbcfcc94.jpg

 

Fitted the box back in the car and so far all has been good with it :)

 

20191102-96dpi-IMG_20191102_205139.thumb.jpg.e291d94c254b62a203082ed9be64f83d.jpg

 

<tuffty/>

Link to post
Share on other sites

As mentioned in a previous post I had a small issue with the fans and the aircon... I went to get the system gassed up which appeared to go fine... no leaks etc but... the air wasn't getting fantastically cold...

20190928-96dpi-IMG_20190928_094612.thumb.jpg.663535626d09600752c391c5fa02d802.jpg

 

It was then that I noticed the smell that indicated the magical blue smoke was escaping from something... it was one of the radiator fans... one of my brand new radiator fans!!!.. it seems it was touching the aircon flexi hose which of course I hadn't noticed when I initially put the front of the car back together  boooo...

 

I was fairly convinced that the aircon pump had seen better days so had the system degassed as I have at least two spare ones that I have acquired over the years so decided just to swap it out anyway...

 

The VR engine affords loads of room at the back for shenanigans but no room at all up front so its front off if you want to do anything but tbh this is so easy to do in the grand scheme it beats working on a 20v any day lol

20191027-96dpi-IMG_20191027_102807.thumb.jpg.c4d4579acd5ba91f19ab8c6a6f45566d.jpg

 

Pretty easy to remove the S3 bumper and clip... rad pack can stay put so no need to drain down and for most work there is no need to degass the aircon either as the rad pack just moves out the way

 

Pump looked fun to get to (said no one ever!!) 

20191027-96dpi-IMG_20191027_103953.thumb.jpg.d14e395c50c96e144eedc199eb4dff1a.jpg

 

...but as it turns out the task was cut short by this discovery....

20191027-96dpi-IMG_20191027_104121.thumb.jpg.1a4742ed0149b150bb14f7f3a8620bda.jpg

 

B*gger!...

 

Took the fan off (I had already ordered up a replacement...) and sure enough... it was ever so melty

20191027-96dpi-IMG_20191027_111602.thumb.jpg.96d3535b88275bbd9475c5c890366ea7.jpg

 

As an interim (or most likely permanent) solution I painted a small block of wood and screwed it to the fan cowl...

20191027-96dpi-IMG_20191027_131746.thumb.jpg.59435b21e5f74016a86ca2fafbb4784d.jpg

 

This served to hold the aircon pipe away from the fans...

20191027-96dpi-IMG_20191027_132547.thumb.jpg.81854a05e7f60750445805921d32ea08.jpg

 

20191027-96dpi-IMG_20191027_132622.thumb.jpg.9f704bc6dca02db0ab1e681aba8c19e2.jpg

 

Now all I had to do was replace the aircon pipe... which as it was approaching the winter anyway I decided to not do straight away... then we had a bit of an issue with a global pandemic!... and the car really didn't get much of a look in for some months.... or a year... :)

 

I didn't really need to drive the car as I have an A2 as a daily and could work from home in my actual job any way so other than going out and charging the battery every now and then I didn't really get around to dealing with it...

 

So fast forward to more recent times and lockdown rules are being lifted... I had found that the NS2r's had started to crack (two years old but not done much mileage) so needed to change them... the A2 was pressed into service to drop that lot off to a local garage to sort out (after charging the battery for the 4th time lol)... got a decent deal on some PS4's and so far happy with those

489044566_Screenshot2021-03-31125925.thumb.jpg.0fb017ebc128e03cab3e5baf3ebc49eb.jpg

 

I had also made an eBay purchase of a set of aircon pipes...

414551064_Screenshot2021-03-31125432.thumb.jpg.8208c93fa06c236f67ffc7a60d88c50b.jpg

 

I only needed to replace the larger pipe so hopefully would make the job a 'little' easier... so removed all the heat shielding from the bulkhead...

1115542737_Screenshot2021-03-31125611.thumb.jpg.15d3dfdfd8648dee5d766c4ec8f4be10.jpg

 

Wouldn't be doing that easily with a 20v in the bay lol... obviously removed the front (again!)

PXL_20210401_103700632.thumb.jpg.ecd456458042ffccca1af92b64a05535.jpg

 

Moved the washer bottle out the way to make it a little easier and wrestled the pipe out!!!

PXL_20210401_113838659.thumb.jpg.3f97ef74fa846294d33a300f6ed92302.jpg

 

Getting the pump out was a little more challenging... I needed to put a jack under the sump and undo the right engine mount to allow the engine to drop enough to get at the top bolt of the compressor...

PXL_20210401_125353123.thumb.jpg.36c035a356a4e2adf056b89b9fce8faf.jpg

 

The threaded bush on the back of the pump (same for the alternator too) is designed to 'slide' in the mount to take allow you to a) get the pump in easily by providing enough clearance and 2) allow you to tighten up the bolt without stressing the alloy case and cracking it...

 

For your own sanity you need to 'reset' the threaded part to open it up a bit... this will allow the pump to effectively slide easily back on the mount... I did this using an 18mm socket and a suitable bolt I had in my 'bits' box...

PXL_20210401_130332837.thumb.jpg.6c3d8c69c8eb330ab6cbd8398fcb32cd.jpg

 

Once done the pump slide back on easily... this saves lots of time and of course swearing! :)

 

Done!

PXL_20210401_133319912.thumb.jpg.3a89dafb34476e36b315062c8056ce5e.jpg 

 

With that 'fun' job out the way I went and got the system gassed up and thankfully all was right in the world... lovely cold air... phew!

 

<tuffty/>

 

Link to post
Share on other sites

At the beginning of last year my mate moved to a larger unit and swapped his dyno from a 2wd to an awd... this was just before lockdowns from the initial covid outbreak came into force thankfully so it seemed like a good idea to help christen the dyno and get a baseline run for the car...

IMG_20200201_133356.thumb.jpg.5434e64b349c17732c7787ffcd98b2a8.jpg

 

My mate has since built a dyno cell around this to manage the noise but you get the idea :)

 

Bare in mind that the engine is running a spacer with 8.9:1 CR, no VVT enabled on the map as we needed to test a few things to get it set up and then translate the OE map over to at least get some standard ish operation from it ... also the inlet is a short runner large plenum, the intake is drawing through a FMIC piped with 63mm pipework so the expectation for power was not high... I was not disappointed in my assumption :)

tuffty-3.2NA-2020201-001.thumb.png.dd5f9335848ef84aeae6cdb204ca0a8e.png

 

Still... the only way is up from here... right? !! :D

 

This brings the build pretty much up to date... I have since enabled VVT on the inlet and thats made quite a difference low down... she really pulls from low revs now but obviously runs out of breath a bit top end wise still... not had her back on the dyno yet but suspect the torque has lifted a bit from low down... 

 

So on to what the future will bring... as I have mentioned before I had a GT3582r on my 20v before the rod made a break for freedom... there was nothing wrong with the turbo and tbh it was fairly worthless compared to buying a newer turbo like a G series (which are pretty damn epic on 20v's it has to be said!) so decided I would just use it as I had it... the hotside is a 0.63 Tial v-band housing... on the 20v it did this...

tuffty-20180929-graph.thumb.jpg.fe3075fe8edfb59df1e93dd4b7a9bae2.jpg

This plot was mostly comparing the non ported compressor housing (blue and orange lines) with the anti-surge housing I fitted shortly before the rod exiting stage back! (red plot)

 

The turbo was sent off to be checked over and had a clean bill of health so just cleaned it all up and its ready to go again

987310787_Screenshot2020-09-26at14_57_57.thumb.jpg.5349de9b53227d692232b1d5ddcd2245.jpg

 

1245665543_Screenshot2020-09-26at14_57_36.thumb.jpg.878ecd203c3d96632697ad8ffb6a1a99.jpg

 

593775015_Screenshot2020-09-26at14_57_17.thumb.jpg.1376a75beca027d800e79bdc61fba1ae.jpg

 

On the 20v I built a 1.5" NB tubular manifold...

20131222_154010.thumb.jpg.873b0f183dc6c4eedfc6029b6e72212c.jpg

 

This worked really well but I really didn't want the the complexity and expense of doing this on the VR especially as I wasn't planning to push the turbo hard at all so I settled on the Ali Express special :)

PSX_20190727_110656.thumb.jpg.af4066529b4e13fca0640ef7cf439d78.jpg

 

...obviously I modded it a bit... had a T3 flange cut so I could add a v-band flange for the turbo... and found a nice 2 bolt adaptor for the wastegate... the wastegate port does need a little attention though

PSX_20190727_110836.thumb.jpg.5f6d5c11b8b9d1cbe6294d79e85bf9c3.jpg

 

Some porting required but that fine... hoping that this won't give me too much boost creep but I guess we shall see.... on the subject of the wastegate, I had a 44mm Tial (older style) gate which was too big for this application (physically) so I am using a Turbosmart WG45mm but the gen4 version as its smaller overall than the newer gen 5...

20190921-96dpi-IMG_20190921_092742.thumb.jpg.dc678489e00bfd295694f856af128889.jpg

 

The gen 5 gets a little too close when I did a test fit...

20190723-96dpi-IMG_20190723_130019.thumb.jpg.96850d17813a1819e20c95d98f3477fe.jpg

 

so the gen4 should give me some breathing space...

 

I had test fitted most of the turbo kit prior to getting the car back on the road so I knew what I would need to make it work...

20190723-96dpi-IMG_20190723_124457.thumb.jpg.af0b176fc9d5c33c2e7fdec3c57bad4f.jpg

 

The comp housing outlet is quite close to the manifold... close enough that the concern is that the silicon joiner from it to the top charge pipe will get exposed to more heat than I would like... I have since bought a 63mm ID 45 deg cast alloy elbow that I will weld onto the end which will allow me to rotate the outlet further away from the manifold giving it a bit more of a chance...

 

Even my original inlet pipe looks fairly close to fitting too...

20190723-96dpi-IMG_20190723_124701.thumb.jpg.5bd92e60b9360723e7e384375015f65c.jpg

 

..and points in the general direction of the 'air box' too that should work out fine for what I have planned

 

The downpipe looks to be quite interesting though...

20190723-96dpi-IMG_20190723_125049.thumb.jpg.95687e7d3b316937de1eccce210543dc.jpg

 

Its quite a tight turn but I have made a 3.5" downpipe for a K04 on a 20v before now and that was as tight as a gnats chuff!! so pretty sure this should be easy enough to do...

 

My mate welded the T3/v-band adaptor onto the manifold a few weeks back...

945334649_Screenshot2021-02-14at00_02_24.thumb.png.0dde54b1eed773511725a7fce80cb6be.png

 

There is another run of weld to go on and that will be done... the wastegate adaptor will also be bolted and welded on before porting... v-band is such a better way to fit turbo kit...

 

So jobs left to do and/or work out....

 

I need to drop the sump to get the oil drain bung welded in... I will then fit the ACL big end bearings and ARP rod bolts and that will sort the engine build out... I am using an Epytec oil feed adaptor... the one that bolts through the chain tensioner... 

832128882_Screenshot2020-10-31at17_20_11.png.31aea561c9845aa89649426dcb902bff.png

 

I'd be interested on peoples opinion of this... in principle I like the idea as it means I don't have to weld anything to the oil filter housing... the turbo is a ball bearing cartridge so its got a restrictor and doesn't need a lot of oil so this seems a decent solution

 

The only thing that I am currently unsure of are the coolant lines for the turbo... it seems most VR turbo conversions use non water cooled turbos (assumedly as its easier) but I am struggling to find info about where to pick up and return to in the cooling system... what info I have found seems conflicting so I would appreciate anyones input into this...

 

My current plan is to feed off the back of the head where the outlet goes to the heater matrix... go through the turbo (obvs) then return through the S3's after run pump (I still have the VR one installed too) and into the top of the rad much like how the S3/20v setup is...

 

The plan is to get the turbo fitted fairly soon... just waiting for some space outside my mates unit so I can 'store' the car for a few weeks while I work on her... I plan to take some time off my day job to make some headway into getting the turbo on which in all fairness is mostly bolting on a few parts and a few bits of fabrication so should actually take too long to do...

 

Once I have more or less finished the mapping of the turbo (I plan to run about 15psi of boost tops... the gate spring is 7psi but that may get reduced if I feel I need more gate control) I will then swap the manual box out for a DSG box... I have most of the parts ready for that too

dsg001.thumb.jpg.a2bb20870d32a8a231f1fd62254d85da.jpg

 

PXL_20210513_211649477.thumb.jpg.92d4adc8dbcb4d04a1231f1ae02ee676.jpg

 

PXL_20210513_211714729.thumb.jpg.2571eafd408d1964e4b3e5588fd399ac.jpg

 

I have already fitted a flappy paddle wheel as its a nicer wheel and I have it all sorted so I can use the multi function parts of it with the RNS-E and also have full SDS control along with factory bluetooth hands free..

PXL_20210514_191146333.thumb.jpg.3d8be6b9cdc4cd29ae40bda78ab11bb8.jpg

 

Of course I will update the thread as I go :)

 

<tuffty/>

 

 

 

Edited by tuffty
Link to post
Share on other sites

Gearbox turned up this week...

PXL_20210519_155034330.thumb.jpg.eee4a230078eadb43dc530f3b332233c.jpg

Needs a clean (and some paint obvs!) but overall looks in good nick :)

Offered up the transfer box in the hope it would fit.... and it did!... sorta!!!!... on first look it seems to line up perfectly and even turns when you spin the input shaft...

PXL_20210519_154816121.thumb.jpg.23642b551ee11aca09a4d40f988be015.jpg

 

....but!

PXL_20210519_154759431.thumb.jpg.00a4379407f6fb53ea4c1f7ac906cfcd.jpg

 

B*gger!... doesn't quite seat in properly :(

I had a look at the gearbox that came with the engine... it was immediately obvious what the issue was...

Transfer box mounts on the Mk5 R32 DSG box...

PXL_20210519_161058581.thumb.jpg.cc4e9cf13919754601de9c1d571edbb7.jpg

 

PXL_20210519_161054129.thumb.jpg.313b4c4137497671f858fcb7891394ad.jpg

 

PXL_20210519_155149854.thumb.jpg.c9a7ec2ea2beb338d01fc0e97e36ed63.jpg

 

..vs the ones on the Mk1 TT DSG box...

PXL_20210519_161123783.thumb.jpg.fcfb1135c68a822d96f26b0194348ab3.jpg

 

PXL_20210519_161127673.thumb.jpg.19186774112201effe3f22376bb1a9ae.jpg

 

PXL_20210519_154833058.thumb.jpg.584c636a8bd8033eed6503dbb696e4f2.jpg

 

As you can see the mounts on the new box stick out the same amount as the gap its leaving... on the TT box they are flush with the case.... soooo... I will be cutting them off :)

...once I have done a few measurements etc to double check of course...

I also bought a starter for the box as its different to the manual... it did get damaged in transit though (not very well packed at all) but I can glue the broken bit back on I think...

PXL_20210519_171831945.thumb.jpg.80c6cdac84d0b3ab871d2762003ca5e9.jpg

 

 

I am a little way off fitting this but I am just trying to get all the parts ready for the swap once I am ready... few more bits to get still... drive shafts are something I need to look into and I believe the power steering pipework is also different but will look into that a bit later as I may still have all the pipe work from teh when I bought the VR6...

 

<tuffty/>

Link to post
Share on other sites

One subject I would like to touch on that I feel is important for anyone reading this revolves around the ECU I am using.... back when I was running the 1.8t I was on the OE ME7.5 ECU using a MAF sensor... this was fine for the early stages of the cars development but when I rebuilt the engine into a stroker with the GT3582r the limitations or running a MAF and the OE ECU became very apparent...

 

At the time the alternatives were either very limited on features or stupidly expensive... at the time I was having real issues with cruising in so much that I was running a fairly short 100mm intake to a large comp wheel with an RS4 MAF tube and the turbulence generated at the lower airspeeds were simply too much for the ECU to get a handle on... we had spent long days on the dyno playing about with the various maps that deal with this and trying to get it smoothed out but... it was obvious that MAF less was the real fix and ME7 is not really designed to be MAF less as you essentially use its fault protection maps to tune out the MAF... not ideal and not what I really wanted...

 

Bill had an Ignitron ECU on the shelf... this had not been used mostly due to time and also because the initial software was all in Hungarian (which is where the ECU is from)... the software had been updated several times since so I gave it a go... the setup is dead easy (has a wizard) and I could use speed density just by removing the MAF and moving the MAP sensor to the inlet manifold (to see vacuum and boost)

 

The ECU is essentially plug and play for ME7 based cars...

20180211-96dpi-20180211_100949_HDR.thumb.jpg.1699853fff513b139a1d791b1aa53f0c.jpg

 

The shear amount of data available to be logged is immense...!

 

All I did was tell the wizard a few things about the hardware and the basemap started and idled first turn of the key!!... anyone thats worked with standalone ECU's before will know that almost never happens... :)

 

Now while the ECU was originally designed around the 4 pot 20v it will support 6 ignition coils and 8 injectors plus PWM VVT.... this of course means it will (and does obvs) run the VR6 (24v I should mention but could arguably be made to work with a 12v)

 

I won't bang on too much about it right now as I will be posting the tuning progress of the turbo as and when it happens... using this on the VR has been pretty painless... normal tweaking of injector deadtimes and ongoing VE table updates as the ECU 'learns' as you drive so you can apply those adaptions to the VE table to fine tune and get your fuel trims right down...

 

Now that I have been driving the car more I have had a chance to get the VE table in a decent state ready for the turbo...

120989487_Screenshot2021-05-26130823.thumb.jpg.9f0c17bc598dbe3a61d30d53991d27bd.jpg

 

I also now have the inlet cam VVT turned on (exhaust doesn't do anything really... its more for emissions control on cold start)

1234326482_Screenshot2021-05-26131129.jpg.04e3b08764b51132291c1847aae67dc8.jpg

 

This has perked up the low down response of the engine quite a bit... this will get played with a little once the turbo is on as advancing the cams using VVT from lowish RPM helps spool significantly on larger frame turbos... the 1.8t has a pretty rudimentary implementation (on or off essentially) but can net spool some 500-1000rpm sooner with VVT on... on my 20v I had it on from 1.5k to 5.7k...

 

The ECU has switchable maps if you wanted them... I am not a big fan as I don't use the car for track events etc... I have a foot to moderate the cars velocity :) the mapping is PID control and pretty easy to use... setting up a target boost and tuning PID to prevent over shoot...

 

The ECU only supports a single lambda at this time (dual support is coming) but thats fine for my application as I will only be using one sensor in the downpipe anyway...

 

One of the best things about this ECU though is the limp mode setup... this I believe saved the majority of my 20v engine when it threw the rod... (pic below is for the VR map)

2038742471_Screenshot2021-05-26131806.jpg.a2396f2a56f2fd0b8b7257bb6f375624.jpg

 

The ECU has an autolog feature which is handy and collects data on the specified params so if you have an issue while out and about at least you can look back and see what happened

 

On the subject of logging there is also a "tablet" mode for the software... (which is windows based only)

20181208-96dpi-IMG_9841-HDR.thumb.jpg.2c6439cccba0cdef05b97f0a054c4c70.jpg

 

Can be configured with multiple screens and can display any of the many many params available from the ECU

 

You can start and end logging (allowing you to save to your tablet/laptop) and is generally really useful

 

Anyhoo... thought I would throw this out there as obviously this is the ECU my car currently runs on and will be the one used for the turbo etc... not to be confused with the way a lot of people go about it using OE management and boost controllers and the like...

 

<tuffty/>

 

 

Link to post
Share on other sites
  • 2 weeks later...

Had a few more bits turn up last week... as I have been debating over what to do with the transfer box issue I bagged an R32 transfer box so I could at least work out if there is any point modding the gearbox to take the TT one...

 

On the face of it they look the same but... there are a couple of subtle differences... one being the overall length of the through shaft to the right hand drive cup... there is about 10mm difference which of course changes the amount of engagement to the diff once fitted... this suggests that if I leave the box unmodded then the R32 transfer box would be the best bet... I then took a bunch of measurements to see where the drive cups etc would end up as this will dictate what I need to do for drive shafts.... please note that all measurements are approximate as:

 

A) I wasn't looking precision... just looking to get an idea of what I am working with...
2) My eye sight is cr@p
z) please refer to the points above....

 

The 02M manual box as fitted to an 8L S3....
43139252_Screenshot2021-06-06145951.thumb.jpg.4415ab83b370039e1f8c00f9844781d5.jpg

 

...and the 02E DSG box as fitted to a VR based TT or R32 (the pic is the TT one but the layout is the same)
1979505512_Screenshot2021-06-06145755.thumb.jpg.72d1533ef8ff7bcb46bf0ce02a3cbfb3.jpg

 

So using the bellhousing mounting face as the datum as this will be the mount point to the engine and therefore the same across any box... you can see that the 02M transfer box flange face is 208mm from the face... while the TT DSG is 234mm... this is fine as there are off the shelf drive shafts that would fit the S3 as the Mk1 TT is the same chassis... they are tri-lobal inner joints though so somewhat on the fence about that...

 

However when looking at the R32 DSG set up (from a Mk5 chassis car as the Mk4 didn't have DSG) the dimension is 12mm more at 246mm... this is partly down to the R32 DSG box having the protruding transfer box mounts over the Mk1 TT DSG box's more flush ones...

I also noted that the TT transfer box has additional machining on the mount face that would let it sit further to the left... this makes sense as the other key measurement here is the centreline of the output flange to the prop shaft... On the TT DGS/transfer box setup this was the same as the manual 02M but on the R32 setup this was approx 10mm over to the right... this would effectively move the prop closer to the right side of the tunnel closing the gap required to get the downpipe through

 

Until I am at the point of actually making the downpipe for the turbo setup I am not sure how much trouble that will give me but 10mm is quite a lot given there is not much space there in the first place...

 

Anyhoo... thats a problem for later... 

 

The other problem I have with the right hand side drive shaft is that the transfer box flange only seems to support a tri-lobal style inner CV...  I am pretty sure that some R32 transfer boxes had flanges for the standard S3 inners so looks like I maybe keeping a lazy eye out for something else...

 

The left hand drive cup is 10mm different (requiring a longer shaft) to the 02M but the R32 is 5mm the other way which suggests that I should be able to use the standard left hand S3 shaft... ironically on the R32 DSG box the left drive cup supports the S3's inner CV's... the TT one however uses the tri-lobal style... 

 

So... in summary... if I use the R32 DSG/transfer box as is... I can use the S3 left hand shaft, the prop will be 10mm over to the right making the down pipe a little more of a challenge and I will need a tri-loble right hand drive shaft that has an overall length some 38mm shorter than the S3's

 

I currently have my eye on a relatively cheap  transfer box from a Mk7 Golf R... this should fit up to the box fine, has the correct drive flange for the right hand shaft but... will no doubt still move the prop over and has a different style prop flange although I believe the bolt pitch is the same so should be fine....
117309824_Screenshot2021-06-06160652.jpg.aac4919fd32e2d2daf653b958b7d8a05.jpg

 

At the end of this I will have rather a lot of transfer boxes to sell I think LOL... the joys of trying to get stuff from newer cars to fit to our older cars... :)

 

<tuffty/>

Link to post
Share on other sites
  • 1 month later...

A little more progress... while waiting for a bit of space in the workshop I wanted to get a few odds and sods sorted so I could hit the ground running... I dug out my collection of alloy pipes...

PXL_20210719_121632958.thumb.jpg.faa328db878774b2df096b4e27070656.jpg

 

The old intake from the 20v and pipes left over to make the new top charge pipe... and on that subject the plan will be to run this from the turbo down the gearbox side as there is a bit more room there and will hook up to where I have run the intercooler pipework..

PXL_20210711_130031761.thumb.jpg.15d4f2ad56751119b83b76e9e2d7bcb1.jpg

 

Next task was to check out the oil drain position in the sump... using a modded MAP sensor boss (one we normally use on custom pipework) I offered this up to work out the position and used a spare sump to fit it too so I can just swap it out when ready...

PXL_20210711_132950114.thumb.jpg.70b692d5226c3e7f2d6e6452fa9bb397.jpg

PXL_20210711_133638305.thumb.jpg.5310eb90cc5d42f984e3391d52bd9c43.jpg

 

PXL_20210711_140816582.thumb.jpg.991d6c96fb695a3b61976dc774c69706.jpg

 

PXL_20210711_140829793.thumb.jpg.8b9797e70dec57e13e9a128cd510d37f.jpg

 

This is being welded on shortly... although the metal of the sump is also quite tricky to weld too

 

One last thing I wanted to look at was the relationship between the downpipe and wastegate so I could work out an approach for fabricating it...

 

Fitted up an old 3" DP that was lying about on the shelf....

PXL_20210724_132355903.thumb.jpg.53f1dd994441abc0d169e5ba6d40d0c5.jpg

 

Pretty sure this will not fit due to space (or the lack of it) and that a tighter return will be needed...

 

So tried a 1D 3" bend next...

PXL_20210724_133544347.thumb.jpg.f4daac8a451d7c55bf476453b879d0c4.jpg

 

Had a spare wastegate pipe from another DP lying about so offered that up too... this looks more like where I will go but instead of the bollows I will use an iLok flexi instead as running low boost will mean a lot more exhaust gas will be exiting the wastegate than when running a higher boost and the iLok flexi will be more durable....

 

Finally for shizzles and giggles I offered up a 3.5" bend... 

PXL_20210724_132657911.thumb.jpg.f0331cf04a18d17831532720cee5d339.jpg 

 

This is also plausible and if I can actually fit this in is what I would prefer to do... I had a 3.5" 'expansion chamber' in the first part of my 20v DP and this did actually help with spool and EGT's

 

Progress is progress... granted its not actually got it all fitted yet but... its giving me a bit more motivation now to get it all done :)

 

<tuffty/>

Link to post
Share on other sites
  • 2 weeks later...

Few more things sorted in readiness...

Mocked up the turbo again to measure up the oil feed line...

PXL_20210801_115656686.thumb.jpg.28ba3444fe7689d5563df05f653c8595.jpg

 

I am using an inline filter as there is no outlet on the VR filter housing as standard... I plan to take the feed off the back of the oil pressure t-piece however this is in fact the non filtered side of the housing... others have welded on a fitting to the filtered side of the housing which does work but I also have an adaptor to feed from the chain tensioner... the issue with that it seems is that typically you need a 'longer' plunger in the tensioner to compensate and HPA seem to be the only people that do one... they also do a longer top chain (1 extra link I believe) that would over come the issues I had with the OE chain and head spacer...

 

Trouble is I am not inclined to start spanking another 200 quid on parts that require the gearbox to be removed at this time just to sort all that out so I will leave that for now until I am ready to do the DSG conversion... that way at least I have an excuse to remove the box and the flywheel to get at the chains

This will work fine however and I just need to make sure I clean the filter out at the same time as I change the oil which for me is typically every 12 months...

 

I also took delivery of the parts to make the down pipe

PXL_20210803_141913552.thumb.jpg.c6913fa8a9a1f86f9618ca96f0ea5aba.jpg

 

I mocked the bends together for shizzles and giggles but pretty sure this won't be the final shape...

PXL_20210803_141850161.thumb.jpg.4804bf790e300f8830e1f7200e04feb1.jpg

 

Last thing was to apply a sticker for no other reason than I thought it might just look 'cool'

PXL_20210726_171616427.thumb.jpg.0762ee1594d14423f714c90cba783a0b.jpg

 

PXL_20210726_171654938.thumb.jpg.f92479e01de64eda83f0086f820be212.jpg

 

Its subtle but I kinda like it :)

 

Anyhoo... I have book two weeks off work from next weekend... this essentially means I can finally crack on fitting the turbo ;)

 

<tuffty/>

Link to post
Share on other sites

Bit more tinkering of parts while 'off' the car... the cold side outlet is pretty close to the exhaust manifold and not the best for longevity of any silicon joiner....

PXL_20210807_133254936.thumb.jpg.63a1f9b21472ef97709efab012686350.jpg

 

PXL_20210807_133301311.thumb.jpg.0ecb30fb517f1b06aa6fd1949ee24ca6.jpg

 

So knowing this was an issue I grabbed a 45 deg alloy fitting from the e of the bay...

PXL_20210807_133340969.thumb.jpg.7f03cbee5b08f910ccf6deda138e2877.jpg

 

Bit of prep to make sure the welds would penetrate...

PXL_20210807_144515943.thumb.jpg.318e130d35b8a1de657cd8bfb8e05d88.jpg

 

PXL_20210807_144534269.thumb.jpg.769df1a71f82294060f88690fd08eaea.jpg

 

...and...

228607479_916890849042160_2727821851828866198_n.thumb.jpg.764a55ae4a1ecbd528ab28bab3b1787a.jpg

 

228802104_512666530030388_4427821309527209891_n.thumb.jpg.197e94bf4dc728e56ea44b5d7e7d4407.jpg

 

228752360_266234618268318_7174750354349929964_n.thumb.jpg.b6358d0e331d2bf3d7b7b96482987045.jpg

 

Sadly the sump didn't go quite as well...

227909207_196241155806888_8781535941875360209_n.thumb.jpg.50398d6f0ae5529e44107dce4c633838.jpg

 

228628954_664966791127183_5498744439343542727_n.thumb.jpg.1240e3f4c661ab7c2db595452c051e21.jpg

 

Finest chinesium at its best it seems and the welds were pulling all sorts of 'stuff' out the casting making the welds porous so looks like the take a punt £20 sump wasn't going to cut it... no matter... just means I will have to mod the OE one... which hopefully will weld a bit better...

 

Last thing to sort out on the manifold was the wastegate adaptor...

224888302_248273213626395_8826064039686189894_n.thumb.jpg.29865adba05503fd7f9e80fc8f2175d5.jpg

 

228093167_219789873276789_1456332634440791239_n.thumb.jpg.2728469e04053715ce8032ab60f535bf.jpg

 

Just need to port it out a bit and jobs a good un!...

 

Big shout out to Alex of Badger 5 fame for welding these up for me... he is my cuddly little ginger hero :D

 

<tuffty/>

 

229332468_363575008597609_4184558611669031858_n.jpg

Link to post
Share on other sites

Bit more done today...

 

The exhaust mani is designed for a 2 bolt 38mm wastegate which I feel is a bit on the small side so after the 38mm to 44mm adaptor was welded on it appears that it smaller than 38mm anyway!...

PXL_20210808_111017461.thumb.jpg.b5d306368833e9a6a66feda79c078803.jpg

 

So I ported it...

PXL_20210808_124223202.thumb.jpg.c67cdd52e8cae8b7fd4c4f2b18b1fb3b.jpg

 

PXL_20210808_124249088.thumb.jpg.b5df258f7b0a3296d95c034461edb242.jpg

 

 

Next I gave the mani a blast in the aqua blast cabinet...

PXL_20210808_130424451.thumb.jpg.24e616cad7fdcde575ae0f1da487fe06.jpg

 

...and painted it :) (obvs!!)

PXL_20210808_131013976.thumb.jpg.2bca607659238e9520a9de2ccec468cb.jpg

 

I don't expect this to last very long tbh but the heat shield has held out so far and that will be going back on (modded to suit) to cover it up so its more because I can :)

 

Finally did a dry assembly to get an idea of how it all holds together...

PXL_20210808_141205674.thumb.jpg.0caffd53ff4e25d128607367c01f1172.jpg

 

PXL_20210808_141339750.thumb.jpg.78e70f676444cc2fe6857a171bc62c51.jpg

 

PXL_20210808_141347627.thumb.jpg.a83ca504533af32154f485f38cd9cd83.jpg

 

 

And thats the mani and turbo pretty much ready to bolt on :)

 

<tuffty/>

Link to post
Share on other sites

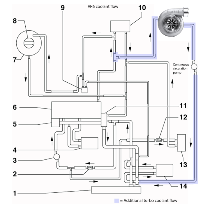
One small headache has been trying to work out where to run the coolant lines for the turbo... as per usual with anything VR turbo related the info is a little thin on the ground so after spending a bit of time researching and looking over the VR6 cooling system flow diagram and exploded parts diagram for the Mk1 TT 3.2 (as thats where  the engine and pipework is from) I have 3 possibilities!! :D

 

So... the standard flow diagram... (this is essentially for a Mk1 TT 3.2)

2140415396_VR6turbocoolinglinesoriginal.thumb.png.1ae7f251030d05481209bfe0b9f08187.png

..and the key to the components...
Coolant hose connection diagram
1 -  Radiator
2 -  Non-return valve
3 -  Continued circulation coolant pump -V51-
4 -  Oil cooler
5 -  Coolant pump
6 -  Cylinder head/cylinder block
7 -  Expansion tank
8 -  Filler cap for expansion tank
9 -  Throttle valve module -J338-
10 -  Heat exchanger
11 -  Thermostat
12 -  Non-return valve
13 -  Gearbox oil cooler
14 -  Auxiliary radiator

 

Note that the above caters for the DSG oil cooler (13) and secondary radiator (14) as normally fitted to a DSG equipped car... all I have done on my car so far is by pass the DSG cooler by connecting the coolant feed hose for it straight to the t-piece that the outlet of the DSG cooler goes to...

So, the options... the VR6 engine already has a continuous circulation pump (or after run pump as its sometimes called) as standard... I have two options in using this as part of the cooling circuit for the turbo (as per OE on K04 turbo's 1.8t's)...

 

Option 1...

2124291005_VR6turbocoolinglines-existingpump1.thumb.png.41e9b09410fd49e601848be3a6deef4f.png

In this option I tee off the feed out of the pump that goes to the DSG cooler... then return from the turbo into the same line as the DSG cooler... this essentially puts it in parallel to the DSG cooler circuit...

 

Option 2...

1827829007_VR6turbocoolinglines-existingpump2.thumb.png.9dc08626d9997f3be0e02124687d40b9.png

Again tee off the coolant feed to the DSG oil cooler but this time the return goes straight to the 'top' of the radiator much like how the 1.8t setup does...

 

Option 3... use a second pump...

1774825180_VR6turbocoolinglines-additionalpump.thumb.png.8be08d94067990b8186dab1d1de7b274.png

This time tee off the feed to the heater matrix from the back of the head... and return through the pump to the 'top' of the rad...

 

Option 1 is my least favourite... not sure I like the idea of the turbo and DSG coolant lines running in parallel... not sure how that would effect flow on either component...

 

Option 2 feels a better solution if I am to use just the existing pump and feels more inline with how its set up on the 1.8t...

 

Option 3 'was' my preferred option as this eliminates any potential issue with the DSG cooler supply but... adding a second pump in means one more thing to go wrong and twice the current draw for the 10mins or so after shutting off the engine... I just feel that this could be an unnecessary strain on the battery that already has a habit of going flat over a few weeks (despite being fairly new) due to short journeys and little use

 

Given I am not fitting the DSG box for a little while I suspect for ease I will go with option 2 initially... this will at least get me up and running a bit quicker and just work... when I get around to fitting the DSG box I can then look at it again and see where the oil temps sit... I suspect I may have to look into alternative ways to cool the DSG box if it becomes an issue anyway as I don't really have the room for a second aux radiator

 

<tuffty/>

Link to post
Share on other sites

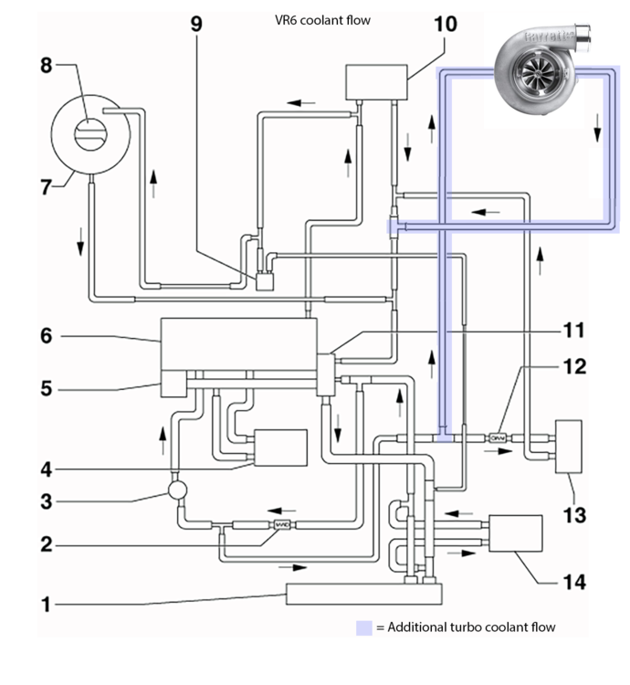
So after much deliberation and anxiety induced sleep loss I am now looking at option 3 as the winner!! LOL... The main reason being this is the less likely route to compromising the existing cooling flow...

So... found this diagram which helps visualise the coolant flow a bit better...

VR6...

VR6_Cooling.thumb.png.f1cf54ba854e9dc8d24de9d3276aa2aa.png

 

...vs the 20v...

20v_Cooling.thumb.png.ba751ab0422391cf22367fa03a98ec68.png

 

The 20v turbo cooling flow takes engine temp coolant and flows back through the after run pump to the top of the rad....

 

The VR6 after run pump however seems to take the 'cooled' coolant from the rad and circulates that... I don't want to add any restrictions in the existing cooling circuit by sticking the turbo in the path of it... and in particular I don't want to potentially obstruct the DSG coolers ability to cool the gearbox oil so I will take the coolant feed from the path to the heat matrix and return it through a second pump (the original one from the 20v) to the top of the rad as per Option 3 :)

1561043981_VR6turbocoolinglines-additionalpump.thumb.png.da366171181b46c7403e7ba6cba4836a.png

This way the turbo cooling circuit is 'isolated' from the main cooling circuit as per the 20v... 

 

Just need to get it all in the engine bay somehow :D

 

<tuffty/>

Link to post
Share on other sites

Today.... almost 2 years since I got the car home from the initial engine swap.... this happened!...

PXL_20210814_154423855.thumb.jpg.f5c66d75485d09b82549db01ebc7a79e.jpg

 

PXL_20210814_170101191.thumb.jpg.31b9040b96eb21b0982ecca483b8e0f8.jpg

 

PXL_20210814_170106572.thumb.jpg.0ac921d3d336897f03c3f210f10e375f.jpg

 

 

....yep, the turbo is going on at last... :D

 

Big shout out to Bill at Badger 5 for finding me a bit of ramp time so I could crack on... and crack on I did... first job as you will have seen was to drop the sump... this was so I could fit the ACL big end bearings (same ones I used in my 20v) and ARP rod bolts... the shells that came out were in pretty good shape considering the engine had done 100k miles...

PXL_20210814_172334307.thumb.jpg.a68e509553868efafc305977c587eab5.jpg

 

 

I used assembly lube for the bearings and ARP grease on the bolts...

PXL_20210814_175305038.thumb.jpg.c1bd184265c55feaabe9ee46181587cc.jpg

 

The torque for these is 40ftlb which is a little less than for after market rods but then the bolts are a little smaller diameter so all good in reality... 

 

PXL_20210814_182926858.thumb.jpg.4d174d7973950558d5098169db8c7199.jpg

 

So thats the bottom end mods done... this should be enough (so I am told) to allow the standard bottom end to hold together nicely for the power I am likely to see (between 400 and 500hp)... coupled with the 8.9:1 CR from the spacer gasket and the Supertech inconel exhaust valves I am hoping it will hold together for a while :)

 

Next job is to modify the OE sump for the oil drain... I have given up on the pattern part sump for now as tbh its was simply leaking from the welds and no matter what Bill and Alex tried the sump material was not playing ball...

PXL_20210814_170124027.thumb.jpg.202ee79b6c30d717a8fb3a4c36ebbf91.jpg

 

Thats a job for tomorrow along with removing the current exhaust manifolds and down pipe.... I can then crack on with the down pipe :)

 

<tuffty/>

Link to post
Share on other sites

×
×
  • Create New...